BEZPIECZNIK WYŁĄCZNIK TERMOBIMETALICZNY MR1 8A TERMOBIMETAL
Wyłącznik termobimetaliczny przerywający ciągłość obwodu w przypadku przekroczenia określonej wartości prądu.
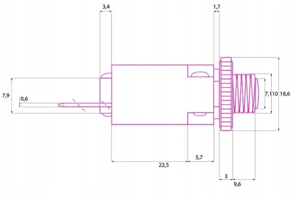
Specyfikacja:
- Bezpiecznik wyłącznik termobimetaliczny MR1 6A
- Obciążalność styków: 125/250VAC
- Próg zadziałania: 6A
- Otwór montażowy: 11mm
- Konektor: 6.3mm
- Wymiary: 28x13x46mm
- Material: Plastik, metal
- Kolor: Czarny










